Ученые Технического университета УГМК разработали уникальную технологию. Из пылей сталеплавильных производств металлурги получили цинковый порошок. Пыль сталеплавильных производств специалисты называют золотой жилой, она содержит до четверти цинка. Он используется для защиты изделий из железа от коррозии, а также для очистки растворов в процессе цементации.
«Мы предложили готовое решение для всех предприятий черной металлургии, на территориях которых накоплено уже около 200 тыс. тонн пылей. В настоящее время мы подали несколько заявок в Роспатент. Сейчас идет поэтапная реализация технологии. Важно, что она полностью безотходная», – заявил профессор, советник технического директора УГМК Павел Козлов.
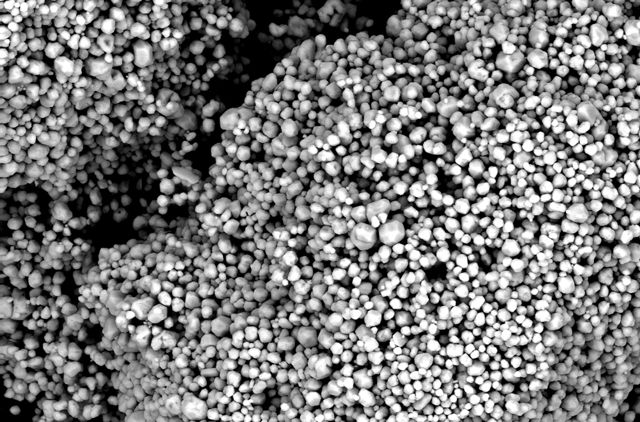
Ученые АО «Уралэлектромедь», в свою очередь, предложили технологию производства серебряного порошка. Его используют в приготовлении пасты для солнечных батарей и в производстве генераторов для электротехнической промышленности и космической техники.
Серебряные слитки банковской чистоты комбинат выпускает уже более 20 лет, но для нового продукта пришлось изменить отработанную схему. Серебряный порошок внешне напоминает серую пудру. На его изготовление ученым потребовался год.
«Нужно было произвести точные расчеты, чтобы понять, в каком количестве необходимо вводить реагенты в раствор, с какой скоростью и в какой последовательности. Нам требовалось получить порошок с заданными свойствами, и прежде всего – с порошинками правильной сферической формы и размером 2-4 микрометра», - говорит директор по науке Технического университета Сергей Краюхин.
Напомним, в активной разработке у ученых из Верхней Пышмы такие проекты, как рафинирование олова и сурьмы, получение висмута из промпродуктов производства свинца, получение цветных, драгоценных металлов и железа из отходов обогащения, извлечение из лежалых клинкеров меди и драгметаллов.
Фото: Пресс-служба УГМК


